Что значит термин "подаваемой на участок мощности"?

При входе проводов на участок нет какого-либо "вентиля" или "регулируемой задвижки". Сколько электрооборудования подключил на участке - столько из из сети и забираешь. Есть предохранители, которые отключают потребителей при недопустимо больших токах. Ну так это как с местным электриком договоришься, может заменить тебе на более мощные.
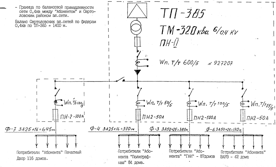
Реальное ограничение - это трансформатор. Он может передавать определенную мощность. Если потребляемая мощность превышает, то трансформатор перегревается и может сгореть. Чтобы трансформатор не сгорел у него тоже есть защитный предохранитель (который местный электрик за бутылку шнапса уже не заменит).
То что где-то кому-то делают бесплатно, то охотно верю

стоит только захотеть, и всё будет сразу и бесплатно.
В ДПК "Поляна" меняли трансформатор за свой счет.